
REXROTH 3WE6 4WE6 方向性スプールバルブ、直接操作、ソレノイド作動付き
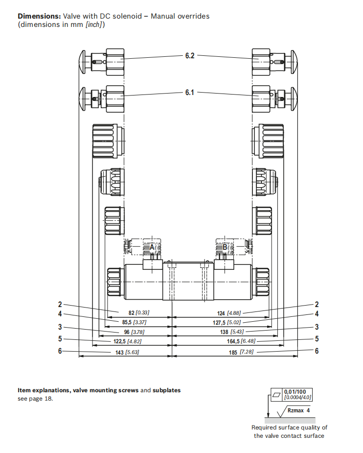
▶ サイズ 3WE6 4WE6▶ コンポーネント シリーズ 6X▶ 最大動作圧力 350 bar [5076 psi]▶ 最大流量: 80 l/min [21 US gpm] – DC 60 l/min [15.8 US gpm] – AC特徴▶ 4/3、4/2 または 3/2 方向設計▶ 高出力ソレノイド▶ DIN 24340 フォーム A に準拠した接続パターン▶ ISO 4401-03-02-0-05 および NFPA T3.5.1 R{{23} に準拠した接続パターン} D03▶ 取り外し可能なコイルを備えたウェットピン DC または AC ソレノイド▶ ソレノイド コイルは 90 度回転可能 ▶ 耐圧チャンバーを開けずにコイルを交換可能 ▶ 個別または中央接続としての電気接続▶ 手動オーバーライド、オプション▶ スプール位置監視 (オプション)。 個別接続嵌合コネクタなし、DIN EN 準拠のコネクタ付き 175301-803 K4 4) 嵌合コネクタなし、コネクタ AMP Junior-Timer C4 4) 嵌合コネクタなし、コネクタ DT {{32 付き}}PA (ドイツプラグ) K40 4; 7) 嵌合コネクタなし、IEC 準拠のコネクタ M12x1 付き 4- 極 60947-5-2、統合干渉保護回路およびステータス LEDK72L 5) 嵌合コネクタなし、IEC 準拠のコネクタ M12x1 付き 4- 極60947-5-2、統合干渉保護回路およびステータス LED (ピン 1 からピン 2 への接続なし)K73L 5) 中央接続カバーのケーブル挿入口、表示灯付き DLC カバーの中央プラグイン接続、表示灯付き (なし嵌合コネクタ); コネクタは DIN EN 175201-804DK6L 6) に準拠しています。






















