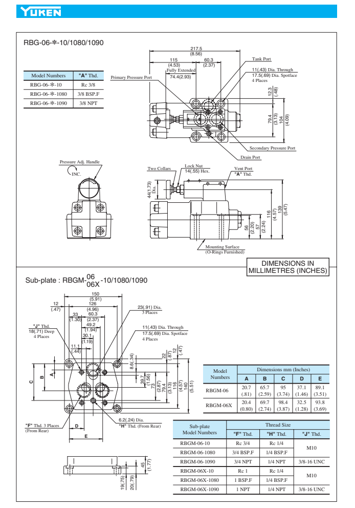
ユケン RBG 減圧・逃がし弁 RBG-03 RBG-06
減圧・逃がし弁は、油圧バランス回路用に開発された減圧機能とカウンターバランス機能を備えた複合圧力制御弁です。圧力を調整するには、ロックナットを緩め、高圧の場合は圧力調整ハンドルをゆっくりと時計方向に、低い圧力の場合は反時計方向に回します。 調整後はロックナットを忘れずに締めてください。圧力はカラーによって制限されます。 使用圧力を達成できない場合は、カラーをいくつか取り外してください。 1つのカラーは10MPa(1450PSI)に相当します。タンクパイプは他のラインではなく、直接リザーバーに接続してください。
お問い合わせを送る
Inquiry




















