
BOSCH Rexroth A10VNO アキシャル可変ピストンポンプ
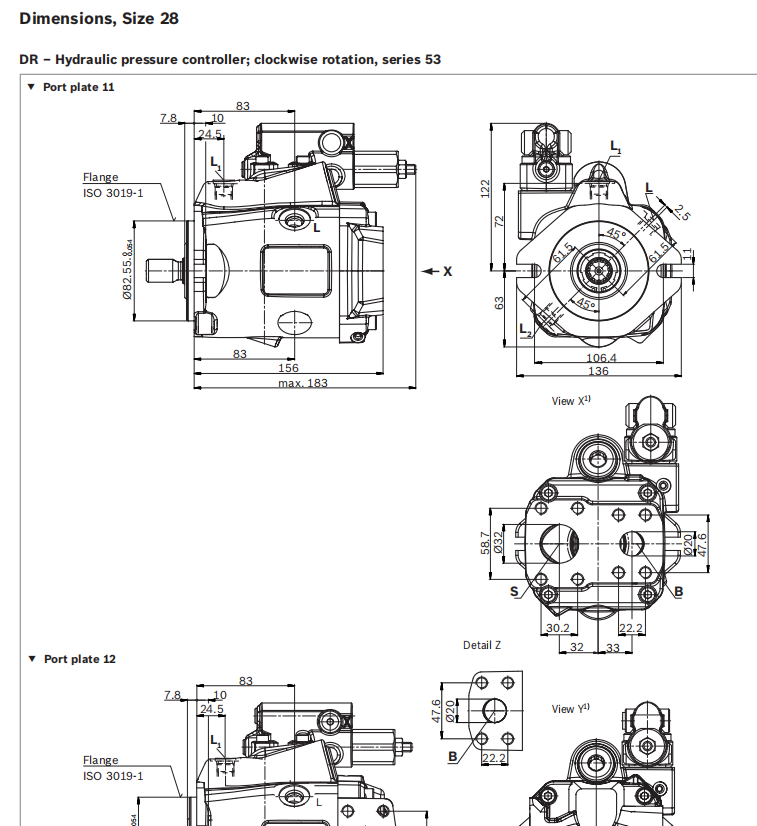
特徴– オープン回路の油圧駆動用斜板設計の軸ピストン可変ポンプ– 流量は駆動速度と容量に比例します。斜板の調整により無限に変化させることができます。– 高い出力対重量比 - 小型サイズ– 低騒音レベル– 許容連続圧力 210 bar– 駆動シャフトの軸方向および半径方向の負荷が可能– 圧力および流量制御– 短い応答時間– 十分に実証された A10- テクノロジー– 極めて小さな取り付け寸法– 固定容量ポンプのコスト効率に優れた代替品– コスト最適化設計シリーズ 52/53サイズ A10VNO28 A10VNO45 A10VNO63 A10VNO85公称圧力 210 barピーク圧力 250 bar
お問い合わせを送る
Inquiry
















